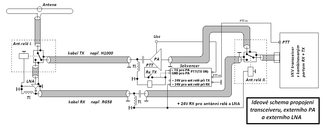
|
Poznámka k zapojení LNA ve
stylu "dvouvýfuk"
(EN text below)
Dostal jsem kritickou
připomínku, že prý ve schematu zapojení je chyba a že kontakt relé, které
spíná PTT pro PA, má být na jedné straně uzemněn (viz šipka níže). Opravil
jsem tedy
staré schema zapojení, resp nahradil jsem ho schematem novým, které má
detailně rozkreslené zapojení sekvenceru.
Nicméně - nebyla to chyba a
kritika vyplývá z
nepochopení celé funkce takového setupu. Sepnutí PA do stavu TX musí být
zpožděné. Toto zpoždění je nutné proto, aby nejprve včas přepnulo anténní relé na stožáru,
které přepíná kabel od antény buď na výstup PA anebo vstup LNA. A musí to
stihnout (přepnutí k výstupu PA), spolehlivě a s rezervou dříve, než se tam objeví VF
výkon. Spolehlivě znamená milionkrát bez poruchy, bez zpoždění, bez
přechodových odporů, zakmitání kontaktů atd. Jinak předzesilovač (LNA)
vyhoří. Proto je sepnutí PA zpožděné a nastává až o několik stovek msec
později, než sepne anténní relé. Kontakt relé na schematu neslouží k
zajištění tohoto zpoždění, ale má "pojistnou funkci" (viz článek
zde), aby bylo zajištěno,
že k sepnutí PA do stavu TX opravdu nedojde ani když třeba dojde k poruše
v kabelu k anténě, nebo se odpojí jedna svorka antény. Je totiž třeba
vědět, že výstup ze sekvenceru pro anténní relé je také zpožděn, ale
jinak, než výstup pro sepnutí PA. A tím se dostávám k meritu věci - ano,
ve schématu sice nebyla chyba, ale nebylo asi zcela pochopitelné. Viz schemata níže
a odkaz na staré schema nahoře.
Sekvencer má
totiž 4 výstupy, které se liší svou funkcionalitou - dva výstupy spínají anténní
relé (volitelně je buď aktivní při příjmu - a to doporučuji - nebo při
vysílání) a dva výstupy jsou určené ke spínání PA - a opět je možné je
(podle zapojení PA) volitelně zapojit tak, že PA se spíná plusem (úrovní H
- zde 12, či 24V), nebo uzemněním vstupu PTT na PA. Pokud bychom - jak
kritik navrhuje - sepnuli PA na vysílání kontaktem relé, připojeným jedním
koncem na zem, hrozilo by sepnutí PA dříve, než se kontakty v anténním
relé uklidní (což vede k jejich opálení a možné destrukci po větším počtu
přepnutí) a následnému zničení LNA. Všechno je to dobře vidět, pokud
budete sledovat cesty vodičů pro zapojení PA. Výsledkem určité zkušenosti
(po zhruba 40-ti letech závodění se sekvencerem) je to, že sekvencer je
poměrně spolehlivé zařízení a k vyhoření LNA zpravidla nedojde, pokud je
sekvencer instalován v PA (!). V případě, že sekvencer je umístěn v jakési
stolní krabičce a používán jako oddělený komponent, propojení s
transceiverem, anténním relé a PA je nějakými čínskými konektory, může dojít na
nahodilém přechodovém kontaktu některého z těchto konektorů opět ke
zničení LNA, zejména tehdy, pokud je anténní relé zapojeno tak, že by mělo
být aktivováno při vysílání a ovládací DC napětí pro cívku relé najednou
nedojde (nebo nedojde včas, či se při vysílání na zlomek vteřiny přeruší).
Proto by anténní relé jednoznačně mělo být zapojeno tak, aby bylo anténní
relé aktivováno při příjmu (!) V takovém případě taková porucha způsobí
rozpojení RX cesty, ale nedojde ke zničení LNA. Nu a nakonec - a s tím
souvisí doporučení umístit sekvencer do PA - se tím eliminují špatné
spojení (tzv. "vakly") konektorů, protože vodiče jsou na vstup i výstupy
sekvenceru připájeny.
73 OK1VPZ

|
|
Note on "double
exhaust" style LNA connection
I received a critical remark that there is an error in the wiring diagram
and that the contact of the relay that switches the PTT for the PA should
be grounded on one side (see arrow below). So I corrected the
old
schematics diagram, resp. replaced it with a
new one, which has a detailed sequencer wiring.
However - it was not a mistake and the criticism stems from a
misunderstanding of the whole function of such a setup. Switching the PA
to the TX state must be delayed. This delay is necessary in order to first
switch the antenna relay on the mast in time, which switches the cable
from the antenna to either the PA output or the LNA input. And it has to
do it (switching to the PA output) reliably and with reserve before the HF
power appears there. It reliably means a million times without fault,
without delay, without transient resistances, oscillation of contacts,
etc. Otherwise the preamplifier (LNA) will burn out. Therefore, the
closing of the PA is delayed and occurs up to several hundred msec later
before the closing of the antenna relay. The relay contact in the diagram
does not serve to ensure this delay, but has a "safety function" (see
article
here) to ensure that the PA does not actually switch to TX even if
there is a fault in the cable to the antenna or if one is disconnected.
antenna terminal. It should be noted that the output from the sequencer
for the antenna relay is also delayed, but differently than the output for
switching the PA. And that brings me to the merits of the matter - yes,
there was no mistake in the diagram, but it was probably not entirely
understandable. See diagrams below and a link to the old diagram above.
The
sequencer has 4 outputs, which differ in their functionality - two
outputs switch the antenna relay (optionally it is either active during
reception - and I recommend it - or during transmission) and two outputs
are intended for PA switching - and again it is possible (depending on the
connection PA) optionally connect so that the PA is switched by plus
(level H - here 12 or 24V), or by grounding the PTT input on the PA. If,
as the critic suggests, we switch on the PA for transmission with a relay
contact connected to the ground at one end, there is a risk of the PA
closing before the contacts in the antenna relay calm down (leading to
their tanning and possible destruction after multiple LNA. It's all
clearly visible if you follow the paths of the wires to connect the PA. As
a result of some experience (after about 40 years of contesting with such
sequencer), the sequencer is a relatively reliable device and LNA burnout
usually does not occur if the sequencer is installed in a PA (!). If the
sequencer is placed in a table box and used as a separate component, the
connection to the transceiver, antenna relay and PA is some Chinese
connectors, accidental transient contact of one of these connectors may
again destroy the LNA, especially if the antenna relay is connected in
such a way that it should be activated during transmission and the control
DC voltage for the relay coil does not suddenly occur (or does not occur
in time, or is interrupted during transmission for a fraction of a
second). Therefore, the antenna relay should clearly be connected so that
the antenna relay is activated on reception (!). In this case, such a
fault will cause the RX path to open, but the LNA will not be destroyed.
Well, and finally - and the related recommendation to place the sequencer
in the PA - this eliminates bad connections (so-called "bags") of
connectors, because the wires are soldered to the input and outputs of the
sequencer.
73 OK1VPZ
|