Startér VN zdroje pro elektronkový PA

S přechodem na vyšší pásma jsem již konstrukce elektronkových PA opustil, ale byl jsem nedávno postaven před úkol zajistit modernizaci staršího PA s elektronkou GS31. Vzpomněl jsem si na konstrukci, již jednou popsanou zde a protože mi nevyhovovala jeho mechanická konstrukce, rozhodl jsem se, že obvod udělám znovu. Navíc jsem našel na původní desce dvě obvodové chyby, které sice nebránily jeho funkci, ale byly proti "dobrému vychování" elektronického obvodáře. A tak si případným zájemcům dovoluji nabídnout novější verzi, která má chyby "vychytané" a dokonce obsahuje jednu užitečnou "fíčurku" navíc.

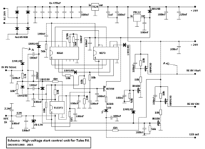
Jako to celé funguje: elektronkový PA obsahuje dva transformátory. Jeden je ten velký pro VN zdroj (v mém případě 2,7kV/0,6A), druhý menší (cca 50W) transformátor s vinutími 12,6V pro žhavení elektronky a 26V pro zdroj 24V DC, který je použit pro ovládání celého PA, anténní relé a ventilátory. Když budeme sledovat schéma, tak po zapnutí PA je přes usměrňovač a stabilizátor 7824 umístěný na šasi PA napájena deska "startéru". Rozeběhne se oscilátor v obvodu 4060 a tento dělič počítá jeho impulsy. Když dosáhne příslušného čísla (trvá to asi 3 minuty a to je doba pro nažhavení elektronky PA) sepne se přes obvod 4073 FET IRF9530 a na výstupu RE HV START se objeví asi na 30 vteřin 24V, které sepne relé, jenž přes nabíjecí odpor v primáru VN trafa začne nabíjet filtrační elektrolytické kondenzátory VN zdroje. Pokud je proces nabíjení úspěšný a VN napětí na filtračních kondenzátorech dosáhne příslušné úrovně (cca 75% plného VN napětí), potom se přes VN odporový dělič (5 x 470k) přenese tato informace na vstup "startéru" (vstup IN HV SENSE) a způsobí přepnutí komparátoru TLC372 (jeho jedné poloviny) do polohy "ON". Přitom se tento komparátor do této polohy sepne trvale, až do okamžiku, dokud by nezmizelo napájecí napětí 12V z 78L12. Výstupní napětí z komparátoru sepne druhé 24V relé, připojené na výstup RE HV ON, jenž prozkratuje "rozběhový" odpor VN zdroje. PA je v takovém případě "nastartován" a zelená LED, která během časování startu blikala, zůstane trvale svítit. PA je připraven k použití.
V případě, že po sepnutí startovacího relé (RE HV START) ani po 30-ti vteřinách se na VN zdroji neobjeví příslušné VN napětí (někde je porucha, zkrat v elektronce, nebo dutině PA, či nejsou naformovány elektrolytické kondenzátory), RE HV START vypne, obvod čeká cca 30 vteřin a opět provede pokus o start zdroje. Pokud se to ani napodruhé nepovede, startovací relé se opět vypne a obvod časuje další cca 3 minuty, jako po zapnutí PA. Následně se pokus o start VN opět opakuje. Tím se předejde sekundárním poruchám, ke kterým by mohlo dojít v případě zkratu ve VN zdroji a zároveň tento postup chrání rozběhový odpor (47R/25W) před jeho přepálením, pokud by byl sepnut déle, než uvedených cca 30 vteřin.
Předpokládejme nyní, že VN zdroj je nastartován a PA běží. NTC termistor, přišroubovaný do vhodného místa (vnější stěna dutiny PA) se ohřeje, způsobí přepnutí druhé poloviny komparátoru TLC372 a to způsobí zkrácení výše uvedeného rozběhového cyklu na polovinu. Pokud tedy při provozu PA dojde k výpadku napájení, rozběh PA již netrvá 3, ale jen cca 1,5 minuty, protože elektronka je teplá a vygetrovaná.

To je k popisu tohoto obvodu všechno. Body označené na schematu A-A je třeba propojit vně desky drátem (také dioda zapojená v tomto vnějším propojovacím obvodu není umístěna na desce plošných spojů). Schema zapojení, osazovací schema, motiv jednostranného plošného spoje a obrázek kompletního obvodu (zobrazuje ale vývojovou verzi obvodu a v detailech se liší od osazovacího schematu), je uveden na obrázcích níže. Popis obvodu je doplněn ideovým schematem celého VN zdroje s transformátorem s dělenými sekundáry a ochranou před zničením elektronky při vzniku výboje v elektronce. Pokud proud z VN zdroje přesáhne cca 2A, VN zdroj se pomocí tyristorů zkratuje a náboj kondenzátorů VN zdroje se změní v teplo ve vybíjecích odporech 10R/10W aby energií výboje nedošlo k poškození elektronky. Tato ochrana má za následek vyražení jističe na primáru VN zdroje (a celého PA). Jistič po uhasnutí výboje stačí zapnout a po cca 90 vteřinách rozběhu je PA opět připraven k použití. Pokud se do této konstrukce pustíte sami, přeji Vám hodně zdaru. Pokud součástky správně osadíte a budete správně pájet, není, co by se mělo na tomto obvodu po osazení obvodu oživovat. Samozřejmě nezapomeňte na správné dimenzování děliče pro měření napětí na VN zdroji. Komparátor TLC372 se přepne do polohy VN "ON", pokud napětí na jeho pinu 5 dosáhne 6V (při cca 75% celkového VN napětí) a tomu musí odpovídat odpory v děliči VN napětí.

Na slyšenou na 70cm!
OK1VPZ

PS: pro zvětšení na obrázky klikněte.


rozměr plošného spoje 90 x 82,5mm, materiál FR4 1,5mm